搜索
热门关键词:
PCB
IDT
rs485
奥地利微电子
protel99se
手机版
官方微博
微信公众号
登录
|
免费注册
首页
新闻
新品
文章
下载
电路
问答
视频
职场
杂谈
会展
工具
博客
论坛
在线研讨会
技术频道:
单片机/处理器
FPGA
软件/编程
电源技术
模拟电子
PCB设计
测试测量
MEMS
系统设计
无源/分立器件
音频/视频/显示
应用频道:
消费电子
工业/测控
汽车电子
通信/网络
医疗电子
机器人
x
x
当前位置:
EEChina首页
›
模拟电子技术
›
电路
PGA103失调电压校正电路
发布时间:2011-4-11 10:19 发布者:
circuit_share
关键词:
PGA103
,
失调电压
,
校正电路
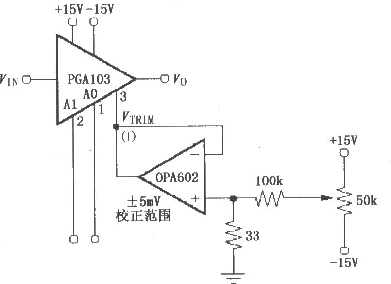
如图所示为PGA103的失调
电压
校正
电路
。PGA103采用激光校正,因此3种增益的典型失调电压(相对于输入)均低于200μV,且每一种增益的失调电压不同。图中运算
放大器
OPA602接成电压跟随器作为缓冲器,利用电压跟随器输出阻抗低的特性,使校正电路以低阻与PGA103的③脚相连接,以保持放大器增益的精确度。调节50kΩ电位器可以使失调电压为零,这时输出电压Vo=G(VIN-VTRIM)。因为逻辑输入A0、A1是以③脚为基准的,所以OPA602输出的校准电压VTRIM会影响逻辑电压阈值,因此应使VTRIM<0.1V。
本文地址:
https://www.eechina.com/thread-61617-1-1.html
【打印本页】
本站部分文章为转载或网友发布,目的在于传递和分享信息,并不代表本网赞同其观点和对其真实性负责;文章版权归原作者及原出处所有,如涉及作品内容、版权和其它问题,我们将根据著作权人的要求,第一时间更正或删除。
相关文章
失调电压与开环增益—它们是“表亲”
运放输出失调电压(包括温漂)的消除
运放块输出失调电压消除,只需一个电阻(中集)
运放块输出失调电压消除,只需一个电阻(下集)
运放块输出失调电压消除,只需一个电阻(上集)
消失的失调电压调整引脚
用SPICE模型仿真失调电压
失调电压与开环增益—— 它们是“表亲”
INA105可微调失调电压电路
INA110失调电压调节电路
网友评论
高级模式
B
Color
Image
Link
Quote
Code
Smilies
您需要登录后才可以发表评论
登录
|
立即注册
发表评论
贸泽电子有奖问答视频,答对领10元微信红包
厂商推荐
Microchip视频专区
Dev Tool Bits | 全新MPLAB® AI编码助手助力您的所有编程需求
32位MCU Digest |借助PIC32CZ CA、Harmony与MCC,打造更智能的工业、汽车与安全应用
32位MCU Digest | 借助PIC32CK SG/GC、Harmony与MCC,打造更智能的应用连接、安防与安全
EtherCAT®原理与实践培训教程
贸泽电子(Mouser)专区
关于我们
-
服务条款
-
使用指南
-
站点地图
-
友情链接
-
联系我们
电子工程网
© 版权所有
京ICP备16069177号
| 京公网安备11010502021702
快速回复
返回顶部
返回列表
网友评论