搜索
热门关键词:
MEMS
LDO
集成电路
电源管理
Lantiq
手机版
官方微博
微信公众号
登录
|
免费注册
首页
新闻
新品
文章
下载
电路
问答
视频
职场
杂谈
会展
工具
博客
论坛
在线研讨会
技术频道:
单片机/处理器
FPGA
软件/编程
电源技术
模拟电子
PCB设计
测试测量
MEMS
系统设计
无源/分立器件
音频/视频/显示
应用频道:
消费电子
工业/测控
汽车电子
通信/网络
医疗电子
机器人
x
x
当前位置:
EEChina首页
›
模拟电子技术
›
电路
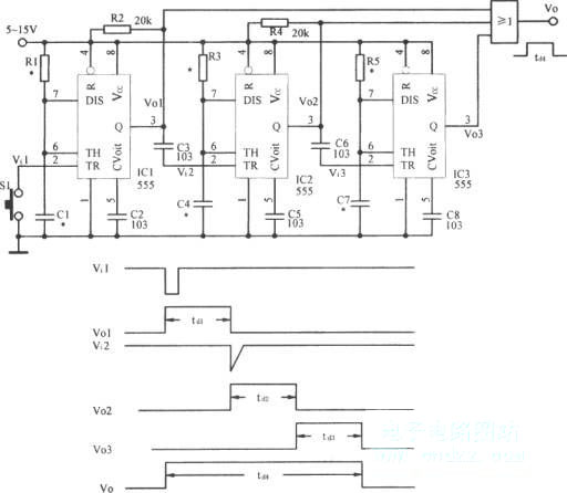
用时基555组成的长周期脉冲振荡电路
发布时间:2011-4-22 10:30 发布者:
circuit_share
关键词:
555
,
脉冲振荡电路
本文地址:
https://www.eechina.com/thread-63135-1-1.html
【打印本页】
本站部分文章为转载或网友发布,目的在于传递和分享信息,并不代表本网赞同其观点和对其真实性负责;文章版权归原作者及原出处所有,如涉及作品内容、版权和其它问题,我们将根据著作权人的要求,第一时间更正或删除。
相关文章
基于555的应用典型电路图及深度解析系列(一)
教你用555制作全自动充电器
555电路图要点分析及经典实例
新编555集成电路应用800例
555定时器之父Hans Camenzind辞世 回忆伟大成就
可直接替代标准元件的价格实惠的555定时器(Diodes)
低成本555定时器取代微处理器对LED驱动器的控制
555 单稳电路用作电容表或电阻表电路
555汽车报警器电路
555公共汽车站途指示器电路
网友评论
高级模式
B
Color
Image
Link
Quote
Code
Smilies
您需要登录后才可以发表评论
登录
|
立即注册
发表评论
贸泽电子有奖问答视频,答对领10元微信红包
厂商推荐
Microchip视频专区
Dev Tool Bits | 全新MPLAB® AI编码助手助力您的所有编程需求
32位MCU Digest |借助PIC32CZ CA、Harmony与MCC,打造更智能的工业、汽车与安全应用
32位MCU Digest | 借助PIC32CK SG/GC、Harmony与MCC,打造更智能的应用连接、安防与安全
EtherCAT®原理与实践培训教程
贸泽电子(Mouser)专区
相关在线工具
555定时电路计算器
555单稳态电路参数计算器
关于我们
-
服务条款
-
使用指南
-
站点地图
-
友情链接
-
联系我们
电子工程网
© 版权所有
京ICP备16069177号
| 京公网安备11010502021702
快速回复
返回顶部
返回列表
网友评论