hiecube的个人空间 https://www.eechina.com/space-uid-160538.html [收藏] [复制] [RSS]

博客

20W超宽输入电压范围AC/DC电源模块

已有 782 次阅读2021-8-20 14:07 | 宽输入电源模块, 宽电压电源模块

20W系列是高能立方为客户提供的宽输入电压范围AC/DC电源模块。
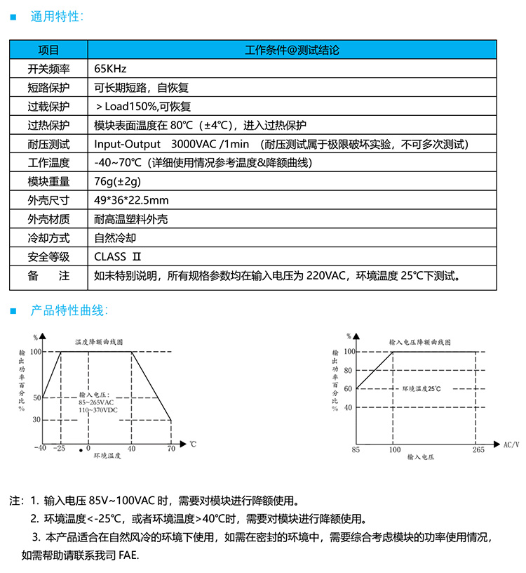
该系列模块电源具有超宽输入电压范围、交直流两用、低功耗、高效率、高可靠性等优点。符合 EN55032 Class B 电磁兼容(EMC)特性和 Class Ⅱ 隔离级别(安规),典型电路即可通过认证测试。

产品特点
接入三相四线供电系统任意两线电源正常工作
输入电压范围:85-500VAC/100-700VDC
工作温度范围: -40℃ to +70℃
效率达 86%
空载功耗< 0.3W
3000VAC 隔离电压
输出短路、 过流、 过热保护
内置EMC电路
质保三年

广泛应用于工控、电力、安防、通讯、智能化、仪器仪表等领域。

评论 (0 个评论)

关于我们  -  服务条款  -  使用指南  -  站点地图  -  友情链接  -  联系我们
电子工程网 © 版权所有   京ICP备16069177号 | 京公网安备11010502021702
返回顶部